Размер шрифта
Цвет фона и шрифта
Изображения
Озвучивание текста
Обычная версия сайта
Завод железобетонных изделий
ГК "БЛОК" - Производство и поставка железобетонных изделий в Симферополе!

+7 (3652) 67-13-82
+7 (3652) 67-13-82
Заказать звонок
E-mail
crimea@block-gbi.ru
Адрес
пос. Комсомольское, ул. Монтажная, д.10г
Режим работы
Будни - с 9 до 18 Сб, ВС - выходные
Подать заявку
Главная
Каталог
  • ЖБИ для дорожного строительства
    • Блоки укреплений
    • Водопропускные трубы
    • Камни бортовые
    • Колодцы железобетонные
    • Лотки железобетонные
    • Плиты дорожные
  • ЖБИ для железнодорожного строительства
    • Лотки дренажные
    • Фундаменты трехлучевые
    • Шпалы железобетонные
  • ЖБИ для жилищного строительства
    • Вентиляционные блоки
    • Заборы железобетонные
    • Лестницы железобетонные
    • Перемычки
    • Плиты перекрытий
    • Шахты лифтов
  • ЖБИ для инженерного строительства
    • Камеры тепловые
    • Камеры футерованные
    • Каналы непроходные
    • Каналы сборные
    • Колодцы кабельные
    • Колодцы футерованные
    • Лотки лк
    • Трубы железобетонные
    • Щитовые опоры
  • ЖБИ для мостов, тоннелей и путепроводов
    • Балки мостовые
    • Коллекторы железобетонные
    • Контурные блоки
    • Пустотные плиты
    • Своды железобетонные
    • Тоннели сборные
    • Фермы железобетонные
  • ЖБИ для нефтегазового строительства
    • Сваи железобетонные
    • Столбики сигнальные
    • Утяжелители
  • ЖБИ для промышленного строительства
    • Бомбоубежища
    • Диафрагмы жесткости
    • Прогоны железобетонные
    • Ригели железобетонные
    • Столбы шпалерные (садовые)
    • Фундаментные блоки
  • ЖБИ для энергетического строительства
    • Анкерные плиты
    • Опоры лэп
    • Подстанции
    • Приставки железобетонные
    • Ригели опор
    • Фундаменты опор
  • Нетиповые ЖБИ
    • Волнорезы
    • Плиты тротуарные
Доставка
Оплата
Компания
  • О компании
  • История
  • ГОСТы
  • Сертификаты
  • Заказчики
  • Сотрудники
  • Вакансии
  • Реквизиты
  • Доставка В ЛНР и ДНР
  • Цены на ЖБИ
Объекты
Контакты
Симферополь
Завод железобетонных изделий
ГК "БЛОК" - Производство и поставка железобетонных изделий в Симферополе!

Симферополь
+7 (3652) 67-13-82
+7 (3652) 67-13-82
Заказать звонок
E-mail
crimea@block-gbi.ru
Адрес
пос. Комсомольское, ул. Монтажная, д.10г
Режим работы
Будни - с 9 до 18 Сб, ВС - выходные
Заказать звонок
Подать заявку
Главная
Каталог
  • ЖБИ для дорожного строительства
    ЖБИ для дорожного строительства
    • Блоки укреплений      
      • Серии блоков
      • Типы блоков
    • Водопропускные трубы      
      • Серия изготовления
      • Тип звеньев
    • Камни бортовые      
      • Типы бортовых камней
    • Колодцы железобетонные      
      • Диаметры
      • Элементы
    • Лотки железобетонные      
      • ГОСТы и Серии
      • Типы лотков ЖБИ
    • Плиты дорожные      
      • ГОСТы и Серии дорожных плит
      • Типы дорожных плит
  • ЖБИ для железнодорожного строительства
    ЖБИ для железнодорожного строительства
    • Лотки дренажные      
      • Типы дренажных лотков
    • Фундаменты трехлучевые      
      • Серии фундаментов
      • Типы фундаментов
    • Шпалы железобетонные
  • ЖБИ для жилищного строительства
    ЖБИ для жилищного строительства
    • Вентиляционные блоки      
      • ГОСТы вентиляционных блоков
      • Типы вентблоков
    • Заборы железобетонные      
      • Вид забора ЖБИ
      • ГОСТы и Серии ЖБ заборов
    • Лестницы железобетонные      
      • ГОСТы и Серии ЖБ лестниц
      • Элементы лестниц
    • Перемычки
    • Плиты перекрытий      
      • ГОСТы и Серии плит перекрытий
      • Типы плит перекрытий
    • Шахты лифтов      
      • ГОСТы и Серии лифтовых шахт
      • Типы лифтовых шахт
  • ЖБИ для инженерного строительства
    ЖБИ для инженерного строительства
    • Камеры тепловые      
      • Серии тепловых камер
      • Тип элемента камер
    • Камеры футерованные      
      • Типы футерованных камер
    • Каналы непроходные
    • Каналы сборные      
      • Серии
      • Типы
    • Колодцы кабельные      
      • Типы колодцев ККС
    • Колодцы футерованные      
      • Типы футерованных колодцев
    • Лотки лк      
      • Типоразмеры лотков
    • Трубы железобетонные      
      • ГОСТы и Серии ЖБ труб
      • Типы
    • Щитовые опоры      
      • Серии
  • ЖБИ для мостов, тоннелей и путепроводов
    ЖБИ для мостов, тоннелей и путепроводов
    • Балки мостовые      
      • Серии мостовых балок
      • Элементы балок
    • Коллекторы железобетонные      
      • Серии ЖБ коллекторов
      • Типы ЖБ коллекторов
    • Контурные блоки
    • Пустотные плиты      
      • Серии пустотных плит
    • Своды железобетонные      
      • Серии железобетонных сводов
      • Типы конструкций
    • Тоннели сборные      
      • Серии сборных тоннелей
      • Типы сборных тоннелей
    • Фермы железобетонные      
      • Типоразмеры ферм
      • Типы железобетонных ферм
  • ЖБИ для нефтегазового строительства
    ЖБИ для нефтегазового строительства
    • Сваи железобетонные      
      • ГОСТы и Серии
      • Типы
    • Столбики сигнальные
    • Утяжелители      
      • Типы утяжелителей
  • ЖБИ для промышленного строительства
    ЖБИ для промышленного строительства
    • Бомбоубежища      
      • ГОСТы бомбоубежищ
      • Типы бомбоубежищ
    • Диафрагмы жесткости      
      • Серии диафрагм жесткости
      • Типы диафрагм
    • Прогоны железобетонные      
      • Серии ЖБ прогонов
      • Типы ЖБ прогонов
    • Ригели железобетонные      
      • ГОСТы и Серии для ЖБ ригелей
      • Типы железобетонных ригелей
    • Столбы шпалерные (садовые)
    • Фундаментные блоки      
      • ГОСТы и Серии фундаментных блоков
      • Типы фундаментных блоков
  • ЖБИ для энергетического строительства
    ЖБИ для энергетического строительства
    • Анкерные плиты
    • Опоры лэп      
      • Серии опор ЛЭП
      • Типы опор ЛЭП
    • Подстанции      
      • Серии подстанций
      • Элементы подстанций
    • Приставки железобетонные      
      • ГОСТы и Серии ЖБ приставок
    • Ригели опор
    • Фундаменты опор      
      • Серии фундаментов опор
  • Нетиповые ЖБИ
    Нетиповые ЖБИ
    • Волнорезы      
      • Типы волнорезов
    • Плиты тротуарные      
      • ГОСТы и Серии
Доставка
Оплата
Компания
  • О компании
  • История
  • ГОСТы
  • Сертификаты
  • Заказчики
  • Сотрудники
  • Вакансии
  • Реквизиты
  • Доставка В ЛНР и ДНР
  • Цены на ЖБИ
Объекты
Контакты
    Завод железобетонных изделий
    Главная
    Каталог
    • ЖБИ для дорожного строительства
      ЖБИ для дорожного строительства
      • Блоки укреплений      
        • Серии блоков
        • Типы блоков
      • Водопропускные трубы      
        • Серия изготовления
        • Тип звеньев
      • Камни бортовые      
        • Типы бортовых камней
      • Колодцы железобетонные      
        • Диаметры
        • Элементы
      • Лотки железобетонные      
        • ГОСТы и Серии
        • Типы лотков ЖБИ
      • Плиты дорожные      
        • ГОСТы и Серии дорожных плит
        • Типы дорожных плит
    • ЖБИ для железнодорожного строительства
      ЖБИ для железнодорожного строительства
      • Лотки дренажные      
        • Типы дренажных лотков
      • Фундаменты трехлучевые      
        • Серии фундаментов
        • Типы фундаментов
      • Шпалы железобетонные
    • ЖБИ для жилищного строительства
      ЖБИ для жилищного строительства
      • Вентиляционные блоки      
        • ГОСТы вентиляционных блоков
        • Типы вентблоков
      • Заборы железобетонные      
        • Вид забора ЖБИ
        • ГОСТы и Серии ЖБ заборов
      • Лестницы железобетонные      
        • ГОСТы и Серии ЖБ лестниц
        • Элементы лестниц
      • Перемычки
      • Плиты перекрытий      
        • ГОСТы и Серии плит перекрытий
        • Типы плит перекрытий
      • Шахты лифтов      
        • ГОСТы и Серии лифтовых шахт
        • Типы лифтовых шахт
    • ЖБИ для инженерного строительства
      ЖБИ для инженерного строительства
      • Камеры тепловые      
        • Серии тепловых камер
        • Тип элемента камер
      • Камеры футерованные      
        • Типы футерованных камер
      • Каналы непроходные
      • Каналы сборные      
        • Серии
        • Типы
      • Колодцы кабельные      
        • Типы колодцев ККС
      • Колодцы футерованные      
        • Типы футерованных колодцев
      • Лотки лк      
        • Типоразмеры лотков
      • Трубы железобетонные      
        • ГОСТы и Серии ЖБ труб
        • Типы
      • Щитовые опоры      
        • Серии
    • ЖБИ для мостов, тоннелей и путепроводов
      ЖБИ для мостов, тоннелей и путепроводов
      • Балки мостовые      
        • Серии мостовых балок
        • Элементы балок
      • Коллекторы железобетонные      
        • Серии ЖБ коллекторов
        • Типы ЖБ коллекторов
      • Контурные блоки
      • Пустотные плиты      
        • Серии пустотных плит
      • Своды железобетонные      
        • Серии железобетонных сводов
        • Типы конструкций
      • Тоннели сборные      
        • Серии сборных тоннелей
        • Типы сборных тоннелей
      • Фермы железобетонные      
        • Типоразмеры ферм
        • Типы железобетонных ферм
    • ЖБИ для нефтегазового строительства
      ЖБИ для нефтегазового строительства
      • Сваи железобетонные      
        • ГОСТы и Серии
        • Типы
      • Столбики сигнальные
      • Утяжелители      
        • Типы утяжелителей
    • ЖБИ для промышленного строительства
      ЖБИ для промышленного строительства
      • Бомбоубежища      
        • ГОСТы бомбоубежищ
        • Типы бомбоубежищ
      • Диафрагмы жесткости      
        • Серии диафрагм жесткости
        • Типы диафрагм
      • Прогоны железобетонные      
        • Серии ЖБ прогонов
        • Типы ЖБ прогонов
      • Ригели железобетонные      
        • ГОСТы и Серии для ЖБ ригелей
        • Типы железобетонных ригелей
      • Столбы шпалерные (садовые)
      • Фундаментные блоки      
        • ГОСТы и Серии фундаментных блоков
        • Типы фундаментных блоков
    • ЖБИ для энергетического строительства
      ЖБИ для энергетического строительства
      • Анкерные плиты
      • Опоры лэп      
        • Серии опор ЛЭП
        • Типы опор ЛЭП
      • Подстанции      
        • Серии подстанций
        • Элементы подстанций
      • Приставки железобетонные      
        • ГОСТы и Серии ЖБ приставок
      • Ригели опор
      • Фундаменты опор      
        • Серии фундаментов опор
    • Нетиповые ЖБИ
      Нетиповые ЖБИ
      • Волнорезы      
        • Типы волнорезов
      • Плиты тротуарные      
        • ГОСТы и Серии
    Доставка
    Оплата
    Компания
    • О компании
    • История
    • ГОСТы
    • Сертификаты
    • Заказчики
    • Сотрудники
    • Вакансии
    • Реквизиты
    • Доставка В ЛНР и ДНР
    • Цены на ЖБИ
    Объекты
    Контакты
      Симферополь
      +7 (3652) 67-13-82
      Заказать звонок
      E-mail
      crimea@block-gbi.ru
      Адрес
      пос. Комсомольское, ул. Монтажная, д.10г
      Режим работы
      Будни - с 9 до 18 Сб, ВС - выходные
      Подать заявку
      Завод железобетонных изделий
      Телефоны
      +7 (3652) 67-13-82
      Заказать звонок
      E-mail
      crimea@block-gbi.ru
      Адрес
      пос. Комсомольское, ул. Монтажная, д.10г
      Режим работы
      Будни - с 9 до 18 Сб, ВС - выходные
      Завод железобетонных изделий
      • Симферополь
        • Города
        • Благовещенск
        • Владивосток
        • Донецк
        • Екатеринбург
        • Иркутск
        • Калининград
        • Краснодар
        • Красноярск
        • Мариуполь
        • Москва
        • Новосибирск
        • Омск
        • Санкт-Петербург
        • Севастополь
        • Симферополь
        • Тюмень
        • Хабаровск
        • Чита
      • Кабинет
      • Главная
      • Каталог
        • Каталог
        • ЖБИ для дорожного строительства
          • ЖБИ для дорожного строительства
          • Блоки укреплений
            • Блоки укреплений
            • Серии блоков
            • Типы блоков
          • Водопропускные трубы
            • Водопропускные трубы
            • Серия изготовления
            • Тип звеньев
          • Камни бортовые
            • Камни бортовые
            • Типы бортовых камней
          • Колодцы железобетонные
            • Колодцы железобетонные
            • Диаметры
            • Элементы
          • Лотки железобетонные
            • Лотки железобетонные
            • ГОСТы и Серии
            • Типы лотков ЖБИ
          • Плиты дорожные
            • Плиты дорожные
            • ГОСТы и Серии дорожных плит
            • Типы дорожных плит
        • ЖБИ для железнодорожного строительства
          • ЖБИ для железнодорожного строительства
          • Лотки дренажные
            • Лотки дренажные
            • Типы дренажных лотков
          • Фундаменты трехлучевые
            • Фундаменты трехлучевые
            • Серии фундаментов
            • Типы фундаментов
          • Шпалы железобетонные
        • ЖБИ для жилищного строительства
          • ЖБИ для жилищного строительства
          • Вентиляционные блоки
            • Вентиляционные блоки
            • ГОСТы вентиляционных блоков
            • Типы вентблоков
          • Заборы железобетонные
            • Заборы железобетонные
            • Вид забора ЖБИ
            • ГОСТы и Серии ЖБ заборов
          • Лестницы железобетонные
            • Лестницы железобетонные
            • ГОСТы и Серии ЖБ лестниц
            • Элементы лестниц
          • Перемычки
          • Плиты перекрытий
            • Плиты перекрытий
            • ГОСТы и Серии плит перекрытий
            • Типы плит перекрытий
          • Шахты лифтов
            • Шахты лифтов
            • ГОСТы и Серии лифтовых шахт
            • Типы лифтовых шахт
        • ЖБИ для инженерного строительства
          • ЖБИ для инженерного строительства
          • Камеры тепловые
            • Камеры тепловые
            • Серии тепловых камер
            • Тип элемента камер
          • Камеры футерованные
            • Камеры футерованные
            • Типы футерованных камер
          • Каналы непроходные
          • Каналы сборные
            • Каналы сборные
            • Серии
            • Типы
          • Колодцы кабельные
            • Колодцы кабельные
            • Типы колодцев ККС
          • Колодцы футерованные
            • Колодцы футерованные
            • Типы футерованных колодцев
          • Лотки лк
            • Лотки лк
            • Типоразмеры лотков
          • Трубы железобетонные
            • Трубы железобетонные
            • ГОСТы и Серии ЖБ труб
            • Типы
          • Щитовые опоры
            • Щитовые опоры
            • Серии
        • ЖБИ для мостов, тоннелей и путепроводов
          • ЖБИ для мостов, тоннелей и путепроводов
          • Балки мостовые
            • Балки мостовые
            • Серии мостовых балок
            • Элементы балок
          • Коллекторы железобетонные
            • Коллекторы железобетонные
            • Серии ЖБ коллекторов
            • Типы ЖБ коллекторов
          • Контурные блоки
          • Пустотные плиты
            • Пустотные плиты
            • Серии пустотных плит
          • Своды железобетонные
            • Своды железобетонные
            • Серии железобетонных сводов
            • Типы конструкций
          • Тоннели сборные
            • Тоннели сборные
            • Серии сборных тоннелей
            • Типы сборных тоннелей
          • Фермы железобетонные
            • Фермы железобетонные
            • Типоразмеры ферм
            • Типы железобетонных ферм
        • ЖБИ для нефтегазового строительства
          • ЖБИ для нефтегазового строительства
          • Сваи железобетонные
            • Сваи железобетонные
            • ГОСТы и Серии
            • Типы
          • Столбики сигнальные
          • Утяжелители
            • Утяжелители
            • Типы утяжелителей
        • ЖБИ для промышленного строительства
          • ЖБИ для промышленного строительства
          • Бомбоубежища
            • Бомбоубежища
            • ГОСТы бомбоубежищ
            • Типы бомбоубежищ
          • Диафрагмы жесткости
            • Диафрагмы жесткости
            • Серии диафрагм жесткости
            • Типы диафрагм
          • Прогоны железобетонные
            • Прогоны железобетонные
            • Серии ЖБ прогонов
            • Типы ЖБ прогонов
          • Ригели железобетонные
            • Ригели железобетонные
            • ГОСТы и Серии для ЖБ ригелей
            • Типы железобетонных ригелей
          • Столбы шпалерные (садовые)
          • Фундаментные блоки
            • Фундаментные блоки
            • ГОСТы и Серии фундаментных блоков
            • Типы фундаментных блоков
        • ЖБИ для энергетического строительства
          • ЖБИ для энергетического строительства
          • Анкерные плиты
          • Опоры лэп
            • Опоры лэп
            • Серии опор ЛЭП
            • Типы опор ЛЭП
          • Подстанции
            • Подстанции
            • Серии подстанций
            • Элементы подстанций
          • Приставки железобетонные
            • Приставки железобетонные
            • ГОСТы и Серии ЖБ приставок
          • Ригели опор
          • Фундаменты опор
            • Фундаменты опор
            • Серии фундаментов опор
        • Нетиповые ЖБИ
          • Нетиповые ЖБИ
          • Волнорезы
            • Волнорезы
            • Типы волнорезов
          • Плиты тротуарные
            • Плиты тротуарные
            • ГОСТы и Серии
      • Доставка
      • Оплата
      • Компания
        • Компания
        • О компании
        • История
        • ГОСТы
        • Сертификаты
        • Заказчики
        • Сотрудники
        • Вакансии
        • Реквизиты
        • Доставка В ЛНР и ДНР
        • Цены на ЖБИ
      • Объекты
      • Контакты
      Подать заявку
      • 0 Корзина
      • Калькулятор расчета количества машин для транспортировки изделия
      • +7 (3652) 67-13-82
        • Телефоны
        • +7 (3652) 67-13-82
        • Заказать звонок
      • пос. Комсомольское, ул. Монтажная, д.10г
      • crimea@block-gbi.ru
      • Будни - с 9 до 18 Сб, ВС - выходные
      Главная
      —
      Продукция
      —
      ЖБИ для энергетического строительства
      —
      Фундаменты опор
      —
      Серии фундаментов опор
      —
      Фундаменты серии 3.407-115
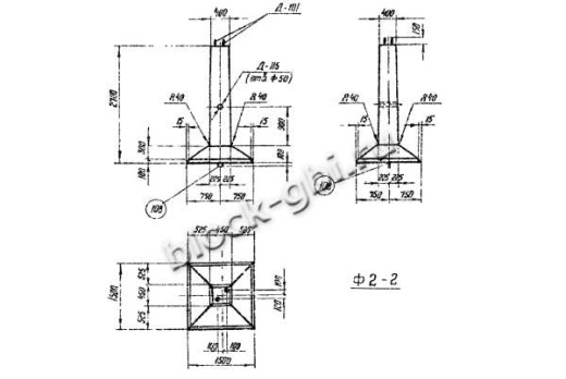
      —Фундамент Ф2-2

      Фундамент Ф2-2

      Фундамент Ф2-2
      18540 ₽
      Цена с НДС
      В наличие: много
      Добавить в заказ
      Купить в 1 клик
      Точное соотвествие ГОСТ.
      Фундамент Ф2-2
      Фундамент Ф2-2
      Фундамент Ф2-2
      Фундамент Ф2-2
      Фундамент Ф2-2
      Фундамент Ф2-2
      Фундамент Ф2-2
      Фундамент Ф2-2
      Фундамент Ф2-2
      Фундамент Ф2-2
      Фундамент Ф2-2
      Фундамент Ф2-2
      Фундамент Ф2-2
      Фундамент Ф2-2
      Фундамент Ф2-2
      Фундамент Ф2-2
      Фундамент Ф2-2
      Фундамент Ф2-2
      Фундамент Ф2-2
      Фундамент Ф2-2
      Фундамент Ф2-2
      Фундамент Ф2-2
      Фундамент Ф2-2
      Фундамент Ф2-2
      Фундамент Ф2-2
      Фундамент Ф2-2
      Характеристики
      ГОСТ/Серия
      —
      Серия 3 407-115
      Длина, мм
      —
      1500
      Ширина, мм
      —
      1500
      Высота, мм
      —
      2700
      Масса, тонн
      —
      2.4
      Объем бетона, куб.м
      —
      0.96
      Все характеристики
      Цена указана на самовывоз. Итоговую стоимость с доставкой, уточняйте у менеджера
      Фундамент Ф2-2
      18540 ₽
      Цена с НДС
      В наличие: много
      Добавить в заказ
      Купить в 1 клик
      Точное соотвествие ГОСТ.
      • Описание
      • Характеристики
      • Документы
      • Как купить
      • Оплата
      • Доставка

      Фундаменты опор представляют собой железобетонное изделие особой формы, которое устанавливается под воздушные опоры высоковольтных линий электропередач. Фундаменты опор ЛЭП повышают устойчивость опор к воздействию ветровой нагрузки. Фундаменты Ф2-2 унифицированные под промежуточные опоры ВЛ с вертикальной стойкой применяются в строительстве объектов энергетики для увеличения прочности конструкции опор в грунте и последующей эксплуатации стальных и железобетонных опор ЛЭП.

      Основное преимущество применения данных ЖБИ состоит в том, что бетон, армируемый прочными стальными каркасами, является высокопрочным строительным материалом и не подвержен многочисленным воздействиям окружающей среды, благодаря чему конструкция фундамента опоры ВЛ способна удерживать стальные и железобетонные опоры ЛЭП без угрозы их опрокидывания в течение не одного десятка лет. Долговечность, стойкость к нагрузкам и прочность – основные преимущества применения изделий железобетонные фундаменты Ф2-2 унифицированные под промежуточные опоры ВЛ с вертикальной стойкой в энергетическом строительстве.

      Железобетонные фундаменты Ф2-2 унифицированные под промежуточные опоры ВЛ с вертикальной стойкой изготавливаются из тяжелого бетона классом по прочности на сжатие не ниже В30, марка – от М300. Марка бетона по морозостойкости – не ниже F150, по водонепроницаемости – W4 – W6. Цемент и инертные, применяемые для изготовления бетона, должны удовлетворять требованиям СНиП I-В.3-62 и ТП4-68. Наибольший размер зерен в структуре бетона не должен превышать 20-40 мм. Контроль прочности бетона фундаментов опор в соответствии с ГОСТ 10180-67 «Бетон тяжелый. Методы определения прочности» и ГОСТ 10181-62 «Бетон тяжелый. Методы определения подвижности и жесткости бетонной смеси».

      В качестве арматуры фундаменты Ф2-2 унифицированные под промежуточные опоры ВЛ с вертикальной стойкой применяются: стрежневая горячекатаная арматурная сталь класса А-I, стержневая горячекатаная арматурная сталь периодического профиля класса А-III, стержневая арматурная сталь периодического профиля класса А-IV и обыкновенная арматурная проволока класса В1. Для монтажных петель применяется только стержневая горячекатаная арматура класса А-I из углеродистой спокойной стали.

      Перед фундаментами опор ЛЭП для энергетического строительства стоит ответственная задача – много лет сохранять устойчивость и прочность опор ЛЭП в разных климатических условиях, в любое время года и в любую погоду. Поэтому к фундаментам опор предъявляются очень высокие требования. Перед отправкой заказчику, фундаменты опор Ф2-2 унифицированные под промежуточные опоры ВЛ с вертикальной стойкой проходят проверку по различным параметрам, например, таких как степень устойчивости, прочность, долговечность и износостойкость, сопротивляемость отрицательным температурам и атмосферным воздействиям. Перед сваркой детали стыков должны быть очищены от ржавчины. Железобетонные фундаменты с толщиной защитного споя бетона менее 30 мм, а также фундаменты, устанавливаемые в агрессивных грунтах, должны быть защищены гидроизоляцией.

      Во время эксплуатации за фундаменты Ф2-2 унифицированные под промежуточные опоры ВЛ с вертикальной стойкой подлежат тщательному надзору, особенно в первые годы работы ВЛ. Одним из самых серьезных дефектов сооружения фундаментов, трудноустранимых в условиях эксплуатации, является нарушение технологических норм при их изготовлении: применение некачественного или плохо промытого гравия, нарушение пропорций при составлении бетонной смеси и т.д. Не менее серьезным дефектом является послойное бетонирование фундаментов, когда отдельные элементы одного и того же фундамента бетонируются в разное время без предварительной подготовки поверхности. При этом не происходит схватывания бетона одного элемента фундамента с другим и может произойти разрушение фундамента при внешних нагрузках, которые значительно меньше расчетных.

      При изготовлении железобетонных фундаментов опор также иногда нарушаются нормы: используется недоброкачественный бетон, закладывается арматура не тех размеров, которые предусмотрены проектом. В процессе сооружения линий электропередач на сборных или свайных железобетонных фундаментах возможно появление серьезных дефектов, которые не допускает энергетическое строительство. К таким дефектам относятся установка сломанных железобетонных фундаментов, недостаточное их заглубление в грунте (особенно при установке опор на склонах холмов и оврагов), нетщательная трамбовка при засыпке, установка сборных фундаментов меньших размеров и др. К дефектам установки относится неправильный монтаж железобетонных фундаментов, при котором отдельные сборные фундаменты, предназначенные в качестве основания металлической опоры, имеют различные вертикальные отметки или сдвиг отдельных фундаментов в плане. При неправильной разгрузке
      фундаменты Ф2-2 унифицированные под промежуточные опоры ВЛ с вертикальной стойкой могут быть испорчены, может произойти скол бетона и обнажение арматуры. В процессе приемки особое внимание следует обращать на соответствие анкерных болтов и их гаек проектным размерам.

      В условиях эксплуатации железобетонные фундаменты Ф2-2 унифицированные под промежуточные опоры ВЛ с вертикальной стойкой повреждаются как от воздействий внешней среды, так и от больших внешних нагрузок. Арматура фундаментов, имеющих пористую структуру бетона, повреждается от агрессивного воздействия грунтовых вод. Трещины, образующиеся на поверхности фундаментов, при воздействии эксплуатационных знакопеременных нагрузок, а также ветра, влаги и низкой температуры, расширяются, что в конечном итоге приводит к разрушению бетона и обнажению арматуры. На территориях, расположенных вблизи химических заводов, быстро разрушаются анкерные болты и верхняя часть металлических подножников.

      Поломка фундамента опор также может произойти в результате несоосности его со стойками, что служит причиной появления больших изгибающих моментов. Подобная поломка может произойти и при размыве основания фундамента грунтовыми водами и отклонении его от вертикального положения.

      В процессе приемки фундаменты Ф2-2 унифицированные под промежуточные опоры ВЛ с вертикальной стойкой проверяются их соответствие проекту, глубина заложения, качество бетона, качество сварки рабочей арматуры и анкерных болтов, наличие и качество защиты от действия агрессивных вод. Производятся замер вертикальных отметок фундаментов и проверка расположения анкерных болтов по шаблону. При обнаружении каких-либо несоответствий нормам все дефекты устраняются до засыпки котлованов. Фундаменты, имеющие в верхней части сколы бетона и обнаженную арматуру, ремонтируются. Для этого устраивается бетонное обрамление толщиной 10—20 см, заглубленное ниже уровня земли на 20 — 30 см. Следует иметь в виду, что энергетическое строительство не допускает обрамление из шлакобетона, так как в шлаке имеется примесь серы, которая вызывает интенсивную коррозию арматуры и анкерных болтов. При более значительных повреждениях фундаментов (в том числе и монолитных) поврежденная часть накрывается арматурой, сваренной с арматурой основного фундамента, и после установки опалубки бетонируется.

      Серьезные требования предъявляются и к точности геометрических параметров. Максимально разрешенное отклонение поперечных размеров, высоты и длины фундаментов опор – в пределах ±5 мм.

      В компании ГК “БЛОК” можно заказать фундаменты Ф2-2 унифицированные под промежуточные опоры ВЛ с вертикальной стойкой и проконсультироваться с нашими специалистами, подобрать требуемые конструкции железобетонных изделий. В нашем отделе продаж можно узнать заранее и уточнить цену фундаментов опор и рассчитать общую стоимость заказа. Купить фундаменты опор и проконсультироваться по общим вопросам покупки и доставки жби вы можете позвонив по телефонам компании ГК БЛОК: Санкт-Петербург: (812) 309-22-09, Москва: (495) 646-38-32, Краснодар: (861) 279-36-00. Режим работы компании: Пн-Пт с 9-00 до 18-00. Компания ГК БЛОК осуществляет доставку фундаментов опор ВЛ по всей России прямо к объекту заказчика или на строительную площадку, если позволяет инфраструктура.

      Характеристики
      ГОСТ/Серия
      Серия 3 407-115
      Длина, мм
      1500
      Ширина, мм
      1500
      Высота, мм
      2700
      Масса, тонн
      2.4
      Объем бетона, куб.м
      0.96
      Класс бетона
      В30
      Геометрический объем, м.куб
      102
      Документы
      seriya-3-407-115-vypusk-1
      12,3 Мб

      Как купить

      Процесс покупки железобетонных изделий у нас прост и удобен. Следуйте этим шагам:

      1. Выбор продукции: Ознакомьтесь с нашим ассортиментом и выберите необходимые железобетонные изделия.
      2. Консультация: Свяжитесь с нашим менеджером для получения консультации по выбору продукции и уточнения всех деталей. Вы можете позвонить нам или написать на электронную почту.
      3. Оформление заказа: После согласования всех деталей оформите заказ. Менеджер поможет вам заполнить все необходимые документы.
      4. Согласование доставки: После оформления заказа наш менеджер свяжется с вами для согласования условий и сроков доставки.
      5. Оплата: Выберите удобный способ оплаты. Мы предлагаем несколько вариантов, включая безналичный расчет.
      6. Получение товара: После выполнения всех условий заказа, вы получите железобетонные изделия в назначенное время и по согласованному адресу. При получении подпишите акт приема-передачи.

      Если у вас возникли вопросы на любом этапе покупки, не стесняйтесь обращаться к нашим менеджерам!

      Оплата

      Мы принимаем только безналичные платежи и работаем исключительно с юридическими лицами. Пожалуйста, ознакомьтесь с условиями оплаты ниже:

      1. Способ оплаты: Все расчеты производятся безналичным путем. Мы не принимаем наличные.
      2. Счет на оплату: После оформления заказа вам будет выставлен счет, который необходимо оплатить в срок, указанный в документе.
      3. Реквизиты: Все необходимые банковские реквизиты будут предоставлены в счете. Убедитесь, что все данные указаны правильно для успешного перевода.
      4. Подтверждение оплаты: После осуществления платежа отправьте нам подтверждение, чтобы мы могли оперативно обработать ваш заказ.
      5. Получение документов: После полной оплаты вы получите все необходимые документы, включая акт выполненных работ, товарные накладные и сертификаты на продукцию.

      Мы работаем с НДС и предоставляем все необходимые сертификаты и документы. Все гарантии будут прописаны в договоре, что обеспечивает прозрачность и надежность сотрудничества.

      Если у вас есть вопросы по поводу процесса оплаты, не стесняйтесь обращаться к нашим менеджерам за помощью!

      Наша оперативность — ваше удобство. Мы гарантируем своевременную доставку железобетонных изделий, что является ключевым фактором для успешной реализации ваших строительных проектов. Доставка осуществляется прямо к вашему объекту с учетом всех стандартов качества.

      Основные условия доставки:
      • Выбор тарифа: Вы можете выбрать способ расчета стоимости доставки — почасовой или по зонам.
      • Согласование: Менеджер свяжется с вами для уточнения деталей после оформления заказа.
      • Время на погрузку: Комплектация товара занимает от 1 до 3 дней в зависимости от объема.
      • Акт приема-передачи: Продукция передается по акту приема-передачи.

      Тарифы на доставку:
      Цены варьируются в зависимости от расстояния и региона. Все тарифы включают НДС. При неблагоприятных погодных условиях возможны небольшие изменения в стоимости.

      География доставки:
      Мы работаем по всей территории РФ и имеем 12 офисов и производств, чтобы обеспечить удобные условия для доставки.

      Для точного расчета стоимости доставки обращайтесь к нашим менеджерам!

      Назад к списку
      Каталог
      Доставка
      Компания
      Контакты
      Подписаться на рассылку
      +7 (3652) 67-13-82
      +7 (3652) 67-13-82
      Заказать звонок
      E-mail
      crimea@block-gbi.ru
      Адрес
      пос. Комсомольское, ул. Монтажная, д.10г
      Режим работы
      Будни - с 9 до 18 Сб, ВС - выходные
      Заказать звонок
      crimea@block-gbi.ru
      пос. Комсомольское, ул. Монтажная, д.10г
      © 2026 Производство и поставки железобетонных изделий. ООО «СК «Блок» ИНН 7842359185 / КПП 772601001

      Обращаем ваше внимание на то, что данный интернет-сайт, а также вся информация о товарах и ценах, предоставленная на нём, носит исключительно информационный характер и ни при каких условиях не является публичной офертой, определяемой положениями Статьи 437 Гражданского кодекса Российской Федерации. Для получения подробной информации о наличии и стоимости указанных товаров и (или) услуг, пожалуйста, обращайтесь к менеджеру сайта с помощью специальной формы связи или по телефону

      Политика конфиденциальности
      Карта сайта
      0

      Корзина

      Очистить корзину

      Ваша корзина пуста

      Исправить это просто: выберите в каталоге интересующий товар и нажмите кнопку «В корзину»
      В каталог
      Главная 0 Корзина Каталог Калькулятор Поиск Регион Кабинет Контакты