Фундаменты опор представляют собой железобетонное изделие особой формы, которое устанавливается под воздушные опоры высоковольтных линий электропередач. Фундаменты опор ЛЭП повышают устойчивость опор к воздействию ветровой нагрузки. Фундаменты МФ1.3х2.2-0 малозаглубленные применяются в строительстве объектов энергетики для увеличения прочности конструкции опор в грунте и последующей эксплуатации стальных и железобетонных опор ЛЭП.
Основное преимущество применения данных ЖБИ состоит в том, что бетон, армируемый прочными стальными каркасами, является высокопрочным строительным материалом и не подвержен многочисленным воздействиям окружающей среды, благодаря чему конструкция фундамента опоры ВЛ способна удерживать стальные и железобетонные опоры ЛЭП без угрозы их опрокидывания в течение не одного десятка лет. Долговечность, стойкость к нагрузкам и прочность – основные преимущества применения изделий железобетонные фундаменты МФ1.3х2.2-0 малозаглубленные в энергетическом строительстве.
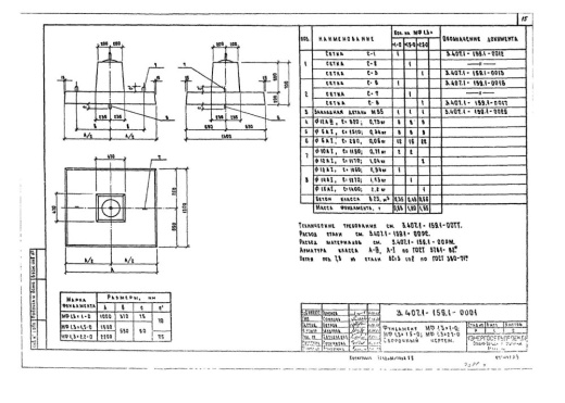
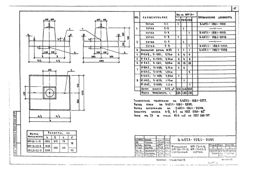
Железобетонные фундаменты МФ1.3х2.2-0 малозаглубленные изготавливаются из тяжелого бетона классом по прочности на сжатие не ниже В30, марка – от М300. Марка бетона по морозостойкости – не ниже F150, по водонепроницаемости – W4 – W6. Цемент и инертные, применяемые для изготовления бетона, должны удовлетворять требованиям СНиП I-В.3-62 и ТП4-68. Наибольший размер зерен в структуре бетона не должен превышать 20-40 мм. Контроль прочности бетона фундаментов опор в соответствии с ГОСТ 10180-67 «Бетон тяжелый. Методы определения прочности» и ГОСТ 10181-62 «Бетон тяжелый. Методы определения подвижности и жесткости бетонной смеси».
В качестве арматуры фундаменты МФ1.3х2.2-0 малозаглубленные применяются: стрежневая горячекатаная арматурная сталь класса А-I, стержневая горячекатаная арматурная сталь периодического профиля класса А-III, стержневая арматурная сталь периодического профиля класса А-IV и обыкновенная арматурная проволока класса В1. Для монтажных петель применяется только стержневая горячекатаная арматура класса А-I из углеродистой спокойной стали.
Перед фундаментами опор ЛЭП для энергетического строительства стоит ответственная задача – много лет сохранять устойчивость и прочность опор ЛЭП в разных климатических условиях, в любое время года и в любую погоду. Поэтому к фундаментам опор предъявляются очень высокие требования. Перед отправкой заказчику, фундаменты опор МФ1.3х2.2-0 малозаглубленные проходят проверку по различным параметрам, например, таких как степень устойчивости, прочность, долговечность и износостойкость, сопротивляемость отрицательным температурам и атмосферным воздействиям. Перед сваркой детали стыков должны быть очищены от ржавчины. Железобетонные фундаменты с толщиной защитного споя бетона менее 30 мм, а также фундаменты, устанавливаемые в агрессивных грунтах, должны быть защищены гидроизоляцией.
Во время эксплуатации за фундаменты МФ1.3х2.2-0 малозаглубленные подлежат тщательному надзору, особенно в первые годы работы ВЛ. Одним из самых серьезных дефектов сооружения фундаментов, трудноустранимых в условиях эксплуатации, является нарушение технологических норм при их изготовлении: применение некачественного или плохо промытого гравия, нарушение пропорций при составлении бетонной смеси и т.д. Не менее серьезным дефектом является послойное бетонирование фундаментов, когда отдельные элементы одного и того же фундамента бетонируются в разное время без предварительной подготовки поверхности. При этом не происходит схватывания бетона одного элемента фундамента с другим и может произойти разрушение фундамента при внешних нагрузках, которые значительно меньше расчетных.
При изготовлении железобетонных фундаментов опор также иногда нарушаются нормы: используется недоброкачественный бетон, закладывается арматура не тех размеров, которые предусмотрены проектом. В процессе сооружения линий электропередач на сборных или свайных железобетонных фундаментах возможно появление серьезных дефектов, которые не допускает энергетическое строительство. К таким дефектам относятся установка сломанных железобетонных фундаментов, недостаточное их заглубление в грунте (особенно при установке опор на склонах холмов и оврагов), нетщательная трамбовка при засыпке, установка сборных фундаментов меньших размеров и др. К дефектам установки относится неправильный монтаж железобетонных фундаментов, при котором отдельные сборные фундаменты, предназначенные в качестве основания металлической опоры, имеют различные вертикальные отметки или сдвиг отдельных фундаментов в плане. При неправильной разгрузке
фундаменты МФ1.3х2.2-0 малозаглубленные могут быть испорчены, может произойти скол бетона и обнажение арматуры. В процессе приемки особое внимание следует обращать на соответствие анкерных болтов и их гаек проектным размерам.
В условиях эксплуатации железобетонные фундаменты МФ1.3х2.2-0 малозаглубленные повреждаются как от воздействий внешней среды, так и от больших внешних нагрузок. Арматура фундаментов, имеющих пористую структуру бетона, повреждается от агрессивного воздействия грунтовых вод. Трещины, образующиеся на поверхности фундаментов, при воздействии эксплуатационных знакопеременных нагрузок, а также ветра, влаги и низкой температуры, расширяются, что в конечном итоге приводит к разрушению бетона и обнажению арматуры. На территориях, расположенных вблизи химических заводов, быстро разрушаются анкерные болты и верхняя часть металлических подножников.
Поломка фундамента опор также может произойти в результате несоосности его со стойками, что служит причиной появления больших изгибающих моментов. Подобная поломка может произойти и при размыве основания фундамента грунтовыми водами и отклонении его от вертикального положения.
В процессе приемки фундаменты МФ1.3х2.2-0 малозаглубленные проверяются их соответствие проекту, глубина заложения, качество бетона, качество сварки рабочей арматуры и анкерных болтов, наличие и качество защиты от действия агрессивных вод. Производятся замер вертикальных отметок фундаментов и проверка расположения анкерных болтов по шаблону. При обнаружении каких-либо несоответствий нормам все дефекты устраняются до засыпки котлованов. Фундаменты, имеющие в верхней части сколы бетона и обнаженную арматуру, ремонтируются. Для этого устраивается бетонное обрамление толщиной 10—20 см, заглубленное ниже уровня земли на 20 — 30 см. Следует иметь в виду, что энергетическое строительство не допускает обрамление из шлакобетона, так как в шлаке имеется примесь серы, которая вызывает интенсивную коррозию арматуры и анкерных болтов. При более значительных повреждениях фундаментов (в том числе и монолитных) поврежденная часть накрывается арматурой, сваренной с арматурой основного фундамента, и после установки опалубки бетонируется.
Серьезные требования предъявляются и к точности геометрических параметров. Максимально разрешенное отклонение поперечных размеров, высоты и длины фундаментов опор – в пределах ±5 мм.
В компании ГК “БЛОК” можно заказать фундаменты МФ1.3х2.2-0 малозаглубленные и проконсультироваться с нашими специалистами, подобрать требуемые конструкции железобетонных изделий. В нашем отделе продаж можно узнать заранее и уточнить цену фундаментов опор и рассчитать общую стоимость заказа. Купить фундаменты опор и проконсультироваться по общим вопросам покупки и доставки жби вы можете позвонив по телефонам компании ГК БЛОК: Санкт-Петербург: (812) 309-22-09, Москва: (495) 646-38-32, Краснодар: (861) 279-36-00. Режим работы компании: Пн-Пт с 9-00 до 18-00. Компания ГК БЛОК осуществляет доставку фундаментов опор ВЛ по всей России прямо к объекту заказчика или на строительную площадку, если позволяет инфраструктура.
|
ГОСТ/Серия
|
Серия 3 407 1-159 |
|
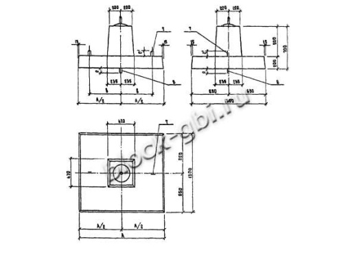
Длина, мм
|
2200 |
|
Ширина, мм
|
1300 |
|
Высота, мм
|
700 |
|
Масса, тонн
|
1.55 |
|
Объем бетона, куб.м
|
0.68 |
|
Класс бетона
|
В25 |
|
Геометрический объем, м.куб
|
2.002 |
|
Сталь, кг
|
76.2 |
|
Закладная 1
|
Сетка С-3 |
|
Закладная 2
|
Сетка С-8 |
|
Закладная 3
|
Закладная М55 |
|
Закладная 4
|
Отдельные стержни 1 |
Как купить
Процесс покупки железобетонных изделий у нас прост и удобен. Следуйте этим шагам:
- Выбор продукции: Ознакомьтесь с нашим ассортиментом и выберите необходимые железобетонные изделия.
- Консультация: Свяжитесь с нашим менеджером для получения консультации по выбору продукции и уточнения всех деталей. Вы можете позвонить нам или написать на электронную почту.
- Оформление заказа: После согласования всех деталей оформите заказ. Менеджер поможет вам заполнить все необходимые документы.
- Согласование доставки: После оформления заказа наш менеджер свяжется с вами для согласования условий и сроков доставки.
- Оплата: Выберите удобный способ оплаты. Мы предлагаем несколько вариантов, включая безналичный расчет.
- Получение товара: После выполнения всех условий заказа, вы получите железобетонные изделия в назначенное время и по согласованному адресу. При получении подпишите акт приема-передачи.
Если у вас возникли вопросы на любом этапе покупки, не стесняйтесь обращаться к нашим менеджерам!
Оплата
Мы принимаем только безналичные платежи и работаем исключительно с юридическими лицами. Пожалуйста, ознакомьтесь с условиями оплаты ниже:
- Способ оплаты: Все расчеты производятся безналичным путем. Мы не принимаем наличные.
- Счет на оплату: После оформления заказа вам будет выставлен счет, который необходимо оплатить в срок, указанный в документе.
- Реквизиты: Все необходимые банковские реквизиты будут предоставлены в счете. Убедитесь, что все данные указаны правильно для успешного перевода.
- Подтверждение оплаты: После осуществления платежа отправьте нам подтверждение, чтобы мы могли оперативно обработать ваш заказ.
- Получение документов: После полной оплаты вы получите все необходимые документы, включая акт выполненных работ, товарные накладные и сертификаты на продукцию.
Мы работаем с НДС и предоставляем все необходимые сертификаты и документы. Все гарантии будут прописаны в договоре, что обеспечивает прозрачность и надежность сотрудничества.
Если у вас есть вопросы по поводу процесса оплаты, не стесняйтесь обращаться к нашим менеджерам за помощью!
Наша оперативность — ваше удобство. Мы гарантируем своевременную доставку железобетонных изделий, что является ключевым фактором для успешной реализации ваших строительных проектов. Доставка осуществляется прямо к вашему объекту с учетом всех стандартов качества.
Основные условия доставки:
• Выбор тарифа: Вы можете выбрать способ расчета стоимости доставки — почасовой или по зонам.
• Согласование: Менеджер свяжется с вами для уточнения деталей после оформления заказа.
• Время на погрузку: Комплектация товара занимает от 1 до 3 дней в зависимости от объема.
• Акт приема-передачи: Продукция передается по акту приема-передачи.
Тарифы на доставку:
Цены варьируются в зависимости от расстояния и региона. Все тарифы включают НДС. При неблагоприятных погодных условиях возможны небольшие изменения в стоимости.
География доставки:
Мы работаем по всей территории РФ и имеем 12 офисов и производств, чтобы обеспечить удобные условия для доставки.
Для точного расчета стоимости доставки обращайтесь к нашим менеджерам!

